ZDS4000數據挖掘型示波器
捕獲512M海量的波形大數據,配合深層次數據挖掘能力,基于全觸屏和流暢的操作體驗,以一種全新的分析方式定位問題,這就是數據挖掘型示波器!
什么是數據挖掘型示波器?
捕獲512M海量的波形大數據,配合深層次數據挖掘能力,基于全觸屏和流暢的操作體驗,以一種全新的分析方式定位問題,這就是數據挖掘型示波器!
數據挖掘第一步:512M大數據存儲
存儲深度等于采樣率乘以采樣時間,512M大存儲深度,長時間捕獲波形,依然不會出現波形失真。
數據挖掘第二步:1M刷新率異常捕獲
波形刷新率越高,死區時間就越短。ZDS4000系列示波器,標配1M次波形刷新率,配合模板觸發,讓您最大概率的發現并捕獲異常信號。
數據挖掘第三步:參數測量
不同于傳統示波器只測一個周期,或通過抽樣減少數據量再測量的模式,ZDS4000系列示波器通過FPGA全硬件并行處理,基于原始采樣率和512Mpts全存儲深度,對每一幀波形每一周期進行測量統計,僅需約1秒即可實現對512Mpts數據的“真正意義”參數測量,測試項目可達50余種,并且支持24種參數同時顯示。這與傳統意義示波器的測量有著本質的區別,也是示波器測試手段與測試方法的突破。
數據挖掘第四步:波形搜索與智能標注
ZDS4000系列示波器不只提供了512M的波形大數據,還配有強大的波形搜索功能和智能標注功能。您可以先通過邊沿、脈寬、欠幅、上升/下降時間、周期/頻率等多種搜索條件來定位512Mpts波形數據中的異常點,再對找出的異常信號使用標注功能,對異常信號進行標注。這里,所有的測量都是經過FPGA全硬件加速,整個過程1S左右即可完成。再對找出的異常信號使用標注功能,對異常信號進行標注。
分析插件與特色功能
協議解碼
硬件濾波器
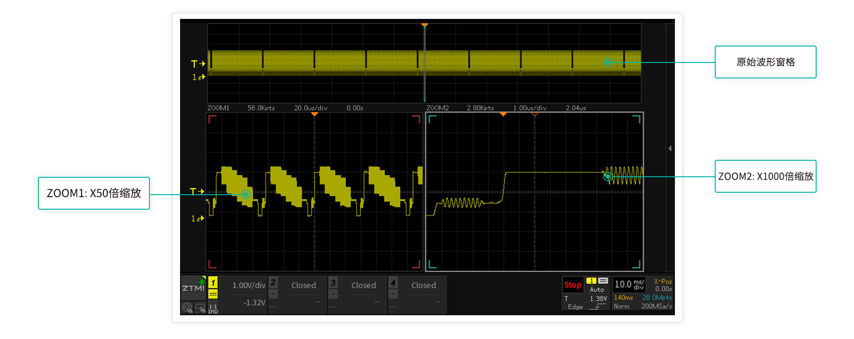
雙Zoom模式
分段存儲
自定義運算
FFT分析
波形分析軟件
時序分析
ZDS4000系列示波器免費標配時序分析功能,支持自定義參數配置對I2C、I2S、SPI、MIPI-RFFE、CAN、Reset、Switch進行分析處理。自動分析多個波形中最差情況是否滿足標準,可直接篩選某個特定節點并直接生成附帶截圖的報告。
環路測試
致遠電子 ZDS4000系列示波器支持環路測試分析軟件。相對于幾十萬的專業環路分析儀器,內嵌的環路測試分析軟件不僅有完善的環路測試方法和精準的測量精度, 并且對測試操作和用戶體驗進行了創新性地設計。
電源分析
開關電源的質量直接影響到產品的技術性能以及其安全性和可靠性。電源測試項目多,計算量大,統計繁瑣等問題一直困擾著工程師們,為了解決這些問題,致遠電子在示波器中增加開關損耗、SOA、電感測試等電源分析功能。如在電感測試功能中可直接對電感、有功功率等項目進行計算,方便工程師快速、準確地測試電源產品。
我們示波器的起源
